两线法和四线法是其中比较常见的测试方法,其中四线法具有灵敏度高、测量准确加上方法巧妙 ,使用方便 、对电源稳定性要求不高等特点,因为四引线法较好地避免了接触电阻和导线电阻的影响,已被广泛地应用于安规电阻测试中。二线法的精度虽然不高,但是用来判断线路的开短路已经能满足绝大部分的需要。但仅适用于完全断线之测试,对于低阻值测试则无能为力。而四探针法因其测量电阻时的高灵敏度和高精度被广泛使用。丘山仪器四探针就是以四探针法为原理研发的电阻测试仪,它拥有超宽的0.1 µΩ ∼ 100 MΩ测量范围,且可应用于光伏、半导体、合金、导电膜等诸多领域。

两线法 技术咨询176-5252-0563
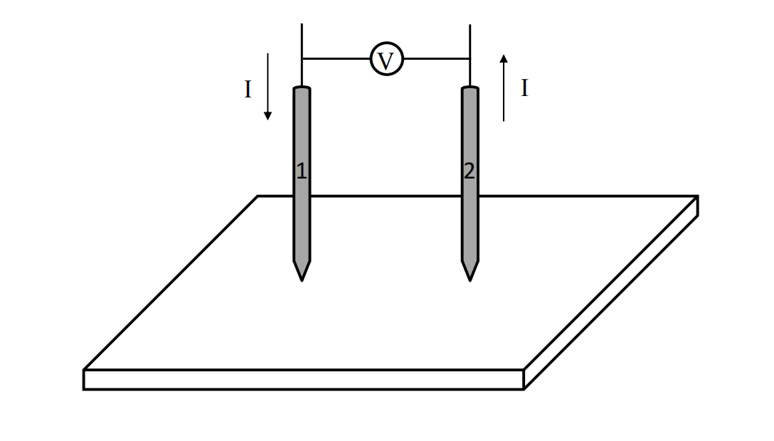
两线法是把连续被测电阻导线也接到数字多用表上,连接线的电阻也算在被测电阻值里,无法将它们分开。四线法也称开尔文法测电阻,用一对导线接电流源,另一对线(感知线)把被测电阻上电压降引入数字多用表进行测量。由于流过感知线的电流很小,所以测量的电阻值更接近真实值。四线没有电桥,完全只是用恒流源发送,电压计测量,最后给出测量电阻值。
其实两种方法测量原理都一样,只是接线区别。应该说,是电流回路和电压测量回路是否分开接线的问题。
两线法——电流回路和电压测量回路合二为一,精度差。
四线法——电路回路和电压测量回路独立分开,精度高,但费线。
二线法:传感器电阻变化值与连接导线电阻值共同构成传感器的输出值,由于导线电阻带来的附加误差使实际测量值偏高,用于测量精度要求不高的场合,并且导线的长度不宜过长。
四线法:当测量电阻数值很小时,测试线的电阻可能引入明显误差,四线法用两条附加测试线提供恒定电流,另两条测试线测量未知电阻的电压降,在电压表输入阻抗足够高的条件下,电流几乎不流过电压表,这样就可以精确测量未知电阻上的压降,计算得出电阻值。

四线法
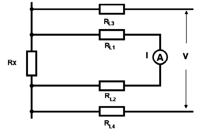
按照四线测量法将恒流源电流流入被测电阻R的两根电流线和数字万用表电压测量端的两根电压线分离开,使得数字万用表测量端的电压不再是恒流源两端的直接电压(如图)。从图中可以看出,四线测量法比通常的测量法多了两根馈线,断开了电压测量端与恒流源两端连线。由于电压测量端与恒流源端断开,恒流源与被测电阻Rx、馈线RL1、RL2构成一个回路。送至电压测量端的电压只有Rx两端的电压,馈线RL1、RL2电压没有送至电压测量端。因此,馈线电阻RL1和 RL2对测量结果没有影响。馈线电阻RL3和 RL4对测量有影响,但影响很小,由于数字万用表的输入阻抗(MΩ级)远大于馈线电阻(Ω级),所以,四线测量法测量小电阻的准确度很高。
四线法不仅消除了引线电阻和接触电阻,还可以大大减少热电动势的影响。因为电流端子是发热的源泉,但分开后由于恒流的作用,到底串联多大电阻、甚至串联个电池 ,都没有关系了 ,都是恒流的,因此接线端子也可以用很普通的。另一方面,两个电压端子由于不流过电流,因此不发热,并且距离发热的电流端子保持一定的距离,也可以减少热传导过来,接线端子可以采用低热的。

丘山仪器全自动四探针
丘山仪器全自动四探针专为科学研究设计,可以对最大 150mm 样品(或 6 英寸晶 圆)进行快速、自动的扫描 ,获得样品不同位置的方阻/电阻率分布信息。更多信息可以前往丘山仪器官网查看,https://www.qiushan-tech.com/
联系我们
在线工程师
扫描二维码立马咨询
我们的电话
17652520563
我们的邮件
zhanghaitao999@foxmail.com